SYSAVC3F Interkom WiFi Tuya Finger/Key/EM Reader WG
Kód: E003-1474





Detailní popis produktu
SYSAVC3 Videointerkom WiFi Tuya přístupová čtečka s identifikací otiskem prstu, EM kartou/čipu, pinu.
Smart WiFi videotelefon s přístupovou čtečka pro dálkovou zprávu, nastavení přes mobilní SMART aplikaci TUYA. Veškeré uživatelské přístupové údaje lze nastavit přes APP včetně záznamu historii přístupu. Možnost dálkového přidání uživatele otisku prstu/ID karty nebo kódu. Absolutní autonomní funkce přístupu a nebo možnost řízení přístupu přes WIEGAND výstup. Je možný i kombinovaný provoz např. čtečka otisku a PIN v aplikaci Smart Life (relé) a čtečka karet do ACM12(WIEGAND 26)
Napájení 12VDC, maximální odběr 150mA. Krytí: IP65. Provozní podmínky: teplota -20 až 60°C, relativní vlhkost 20%-80%.
Podporuje ústředny PARADOX EVO192/HD s přístupovým modulem ACM12 pouze jako čtečka karet/čipů, nelze použít čtečku otisku prstu a PIN kódu.
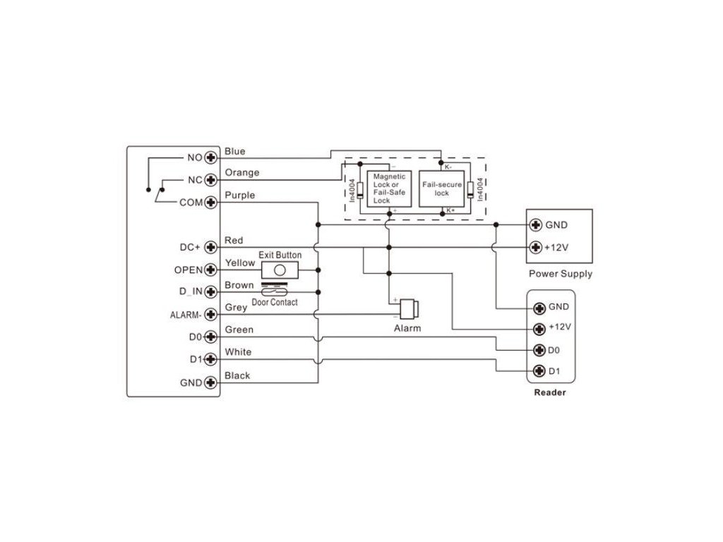
Přístupová čtečka s videointerkom
Tuya WiFi interkom
> Plně duplexní hlasový interkom
> 2,4G WiFi připojení, k dispozici Android a iOS
> 2MP + širokoúhlý fotoaparát a noční vidění
> Podpora TF paměťové karty pro záznam snímku a videa
> Podpora detekce pohybu, přehrávání, focení/videa, odemykání na
dálku
Řízení přístupu
> Dotyková klávesa s jedním relé, 1000 uživatelů (988 běžných +
2 panic + 10 návštěvníků)
> EM karta, karta Mifare volitelná
> Otisk prstů
> Wiegand 26~44 bitů na vstupu a výstupu
> Uživatelská data lze přenášet
> 2 zařízení mohou být blokována pro 2 dveře
Technické specifikace:
|
Kapacita uživatelů |
celkem 1000 988 /100 otisků + 888 karet/PIN 2 panické kódy 10 návštěvníků |
|
Počet záznamů událostí |
100,000 |
| Rychlost ověření |
< 0,8 sec |
|
Videotelefon |
Kamera 2MP, objektiv 140Obousměrná hlasová komunikace, pohybový detektor, možnost přehrávání záznamu obrázku a videa, možnost paměťové TF karty |
|
Algoritmus záznamu otisku |
Smack Finger Ver.3.0 |
|
Komunikace |
Wiegand výstup 26 nebo 34bit |
|
Řízení přístupu přístupu |
elmg. zámek, dveřní senzor, odchodové tlačítko, poplachová signalizace, zvonkové tlačítko, Paradox ACM12 |
|
Wiegand Signal |
EMarin 125kHz 26bit, možnost nastavení 34bit výstup WG |
|
Stardardní funkce pro řízení přístupu TUYA |
identifikace kartou, PIN, dočasní uživatelé |
|
Napájení |
12V DC, 250mA max. |
|
Pracovní teplota |
-20 ℃- 60 ℃ |
|
Pracovní vlhkost |
10%-90% |
|
Stupeň krytí |
IP66 |
|
Rozměry |
56x147x26mm |
Doplňkové parametry
| Kategorie: | Zabezpečovací systémy |
|---|---|
| Modul: | Identifikační čtečka;Kamera;Dveřní interkom |
| Systém: | TUYA |
| Konektivita: | 4-drát;Wiegand;Výstup relé;WiFi |
| Typ systému: | Autonomní;Evidence přístupu;Zabezpečovací signalizace;Automatizace |
| Název systému: | SYSDO access;Tuya Smart system |
| Telekomunikace: | Dveřní interkom;Dveřní videointerkom;Interkom s evidenci přístupu |
| Typ identifikace: | RFID;Biometrie otisku prstu;PIN kód;Emarin 125Khz |
| Prostředí instalace: | Vnitřní;Venkovní;Odolné stříkající vodě;Krytí IP66 |
Hodnocení produktu
Buďte první, kdo napíše příspěvek k této položce.
Diskuze
Buďte první, kdo napíše příspěvek k této položce.
